
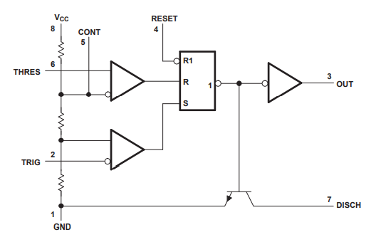
ภายในไอซี 555 ประกอบด้วยทรานซิสเตอร์ 23 ตัว ไดโอด 2 ตัว และตัวต้านทาน 16 ตัว มีบล็อกไดอแกรมและวงจรตามภาพด้านบนที่แสดงไว้ มีขาใช้งาน 8 ขา ซึ่งก็มีการพัฒนาต่อยอดใช้ไอซี 555 สองตัวต่อกันบนชิปตัวเดียวกลายเป็นไอซีเบอร์ 556 และใช้ไอซี 555 สี่ตัวต่อกันบนชิปเดียวกลายเป็นไอซี 558
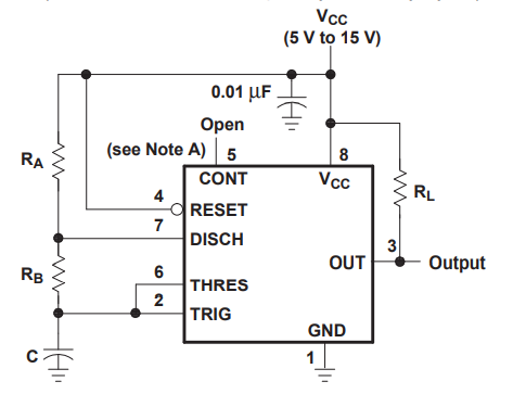
| ขาที่ | ชื่อ | การทำงาน |
| 1 | GND | กราวด์ |
| 2 | TRIG | Trigger ขาสำหรับกระตุ้นการทำงาน |
| 3 | Q | Output สัญญาณขาออกจากที่สร้างมา (แรงดัน=VCC) |
| 4 | RESET | ขารีเซ็ต (Active Low) |
| 5 | CV | Control Voltage จ่ายไฟเพื่อหยุดวงจร(ไม่นิยมทำ) แต่ตามปกติจะต่อตัวต้านทานแล้วลงกราวด์ |
| 6 | THR | Thershold |
| 7 | DIS | Discharge ต่อตัวเก็บประจุ เพื่อใช้การคายประจุเป็นตัวกำหนดความถี่ของ Output |
| 8 | VCC | ไฟเลี้ยง (4.5 - 15 V) |







Fitrox Electronics